dytp平行式电液推杆

- 品牌:高邮腾达
- 型号:
![]() | ||||||||
DYTP型平行式电液推杆技术参数(选型表) | ||||||||
型号 | 额定输出力(Kgf) | 额定速度(mm/s)(特殊速度可定制) | 电机型号 | 行程制造范围 | 速度制造范围 | |||
推力 | 拉力 | 推速 | 拉速 | (kw) | (mm) | (mm) | ||
DYTP | 450 | 450 | 300 | 45/70/115/160 | 65/100/145/200 | 0.55/0.75/0.75/1.1 | 5-1000 | 5-250 |
750 | 750 | 500 | 30/45/70/100 | 43/65/100/165 | 0.55/0.75/1.1/1.1 | 5-1500 | 5-170 | |
1000 | 1000 | 700 | 30/45/70/100 | 43/65/100/145 | 0.75/1.1/1.5/2.2 | 5-1500 | 5-170 | |
1750 | 1750 | 1300 | 30/45/70/100 | 43/65/100/145 | 0.75/1.5/2.2/3.0 | 5-1500 | 5-170 | |
2500 | 2500 | 1900 | 24/36/60/97 | 36/53/90/144 | 1.1/1.5/2.2/3.0 | 5-2000 | 5-150 | |
3000 | 3000 | 2200 | 18/27/45/70 | 27/40/68/108 | 1.1/1.5/2.2/3.0 | 5-2500 | 5-110 | |
4000 | 4000 | 3000 | 14/35/55/70 | 21/53/85/108 | 1.1/2.2/3.0/4.0 | 5-2500 | 5-85 | |
5000 | 5000 | 3800 | 18/30/48/60 | 23/39/63/78 | 1.5/2.2/3.0/4.0 | 5-2500 | 5-75 | |
6000 | 6000 | 4500 | 18/30/48/60 | 23/39/63/78 | 1.5/3.0/4.0/5.5 | 5-3000 | 5-75 | |
8000 | 8000 | 6500 | 10/18/25/38 | 13/23/33/47 | 1.5/2.2/3.0/4.0 | 5-3000 | 5-50 | |
10000 | 10000 | 8100 | 8/14/20/30/39 | 10/17/25/37/48 | 1.5/2.2/3.0/4.0/5.5 | 5-3000 | 5-39 | |
15000 | 15000 | 11500 | 7/12/19/24/30 | 8/14/22/28/36 | 1.5/3.0/4.0/5.5/7.5 | 5-3000 | 5-30 | |
20000 | 20000 | 16000 | 5.5/9.5/15/19/23 | 6.5/11/18/22/27 | 2.2/3.0/4.0/5.5/7.5 | 5-3000 | 5-23 | |
选用DYTP型平行式电液推杆您需要了解:
1、上列表中的电机电压等级为380V,防护等级为IP44,绝缘等级为B级(根据用户要求可配660/1140或415V,防护等级为IP54、IP55、IP65,或耐高温(120℃)等特殊电机。
2、表中的电机型号及功率,指该推杆在额定输出力、额定速度时为最大值的功率,电机功率与推拉力成正比。
3、表中额定速度为常规速度,若推拉速有特殊要求订货时需说明,若超出表中行程制造范围必须在订货时说明。
4、若无特殊说明电液推杆使用地点的海拔高度不超过1000m,月平均最高相对湿度不超过90%,电液推杆使用的工作环境温度为:-5~+50℃,工作介质随环境温度不同,选用合适的液压油(-5~+20℃时采用32#抗磨液压油(L—HM32),+20~+50℃时采用46#抗磨液压油(L-HM46)),液压油加注前需过滤,过滤精度100μm以上。
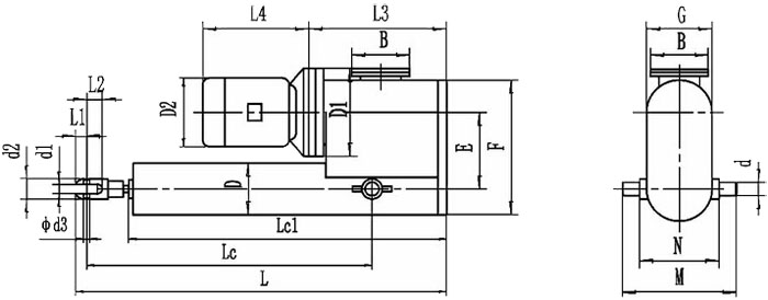
DYTP型平行式电液推杆外形尺寸及安装尺寸 | |||||||||||||||||||
| |||||||||||||||||||
高邮腾达-平行式电液推杆型号示例:DYTP1000-550/45-P | 注意:订货时若需随机订购外行程装置或手轮等附件需另行注明! | ||||||||||||||||||
型号 | 外形尺寸(mm) 注:表中均为推杆缩回状态尺寸,S为行程 | 安装尺寸(mm) 注:电机相关尺寸根据电动机型号及实物定 | |||||||||||||||||
LC | LC1 | L | L1 | L2 | L3 | L4 | d | d1 | d2 | d3 | D | D1 | D2 | M | N | E | F | ||
DYTP | 450 | 81+S | 138+S | 253+S | 24 | 30 | 308 | 246 | φ20 | 18 | φ40 | φ12 | 146 | 200 | 175 | 220 | 160 | 190 | 336 |
750 | 125+S | 148+S | 303+S | 30 | 45 | 315 | 246 | φ30 | 25 | φ60 | φ20 | 146 | 200 | 175 | 225 | 165 | 190 | 336 | |
1000 | 125+S | 148+S | 303+S | 30 | 45 | 315 | 261 | φ30 | 25 | φ60 | φ20 | 146 | 200 | 175 | 225 | 165 | 190 | 336 | |
1750 | 125+S | 148+S | 303+S | 30 | 45 | 325 | 286 | φ30 | 25 | φ60 | φ20 | 146 | 200 | 195 | 225 | 165 | 190 | 336 | |
2500 | 125+S | 148+S | 303+S | 30 | 45 | 325 | 286 | φ30 | 25 | φ60 | φ20 | 159 | 200 | 195 | 242 | 182 | 210 | 369 | |
3000 | 155+S | 148+S | 323+S | 40 | 50 | 331 | 316 | φ30 | 30 | φ70 | φ30 | 159 | 250 | 215 | 242 | 182 | 220 | 379 | |
4000 | 155+S | 168+S | 343+S | 40 | 50 | 331 | 316 | φ40 | 30 | φ70 | φ30 | 159 | 250 | 215 | 242 | 182 | 220 | 379 | |
5000 | 155+s | 168+s | 343+s | 40 | 50 | 334 | 316 | φ40 | 30 | φ70 | φ30 | 180 | 250 | 215 | 290 | 210 | 240 | 420 | |
6000 | 200+s | 168+s | 356+s | 42.5 | 55 | 334 | 316 | φ50 | 35 | φ75 | φ35 | 180 | 250 | 215 | 290 | 210 | 240 | 420 | |
8000 | 200+s | 178+s | 365+s | 42.5 | 55 | 341 | 316 | φ50 | 35 | φ75 | φ35 | 219 | 250 | 215 | 330 | 250 | 250 | 469 | |
10000 | 200+s | 178+s | 365+s | 42.5 | 55 | 341 | 336 | φ50 | 35 | φ75 | φ35 | 219 | 250 | 240 | 330 | 250 | 250 | 469 | |
15000 | 200+s | 188+s | 388+s | 50 | 60 | 348 | 391 | φ60 | 45 | φ90 | φ40 | 245 | 300 | 275 | 380 | 280 | 280 | 545 | |
20000 | 200+s | 208+s | 408+s | 50 | 60 | 348 | 391 | φ60 | 45 | φ120 | φ40 | 300 | 300 | 275 | 440 | 340 | 320 | 620 | |


